Introdução
Este guia descreve os procedimentos de medição necessários para a análise de alarme de corrente de fuga baixa.
No monitor de buchas BM há um alarme denominado corrente de fuga baixa, esse alarme indica se há algum problema no circuito de medição. Quando o monitor identificar uma corrente de fuga baixa, o led "I < Tap" irá acender.
O alarme de corrente de fuga baixa é configurado através do parâmetro Corrente de fuga mínima, onde são definidos os valores mínimos das correntes de fuga para a determinação dos valores operacionais de cada conjunto.
![]() |
| Figura 1 - Frontal do BM-HMI na tela de medição de corrente |
Ao navegar pelas telas de consulta, utilizando as setas do equipamento, é possível identificar as telas de medição de corrente para cada conjunto de medição. Em cada conjunto, é apresentado o valor de corrente das fases A, B e C.
Como mencionado anteriormente, o alarme de corrente de fuga baixa tem por objetivo identificar quando há algum problema na instalação do monitor de bucha. Se a corrente de fuga estiver com o valor menor que o parâmetro de corrente de fuga mínima em uma ou duas fases, isso significa que há uma falha no circuito de medição de corrente.
Vale ressaltar que, se a corrente de fuga estiver com o valor menor que o parâmetro de corrente de fuga mínima em todas as fases, significa que o transformador está desligado ou o monitor está desconectado do transformador.

Informação !
É fundamental verificar este alarme prontamente, dado o papel determinante da corrente de fuga no monitoramento de buchas. O monitor de bucha BM calcula a tangente delta e capacitância da bucha através da medição direta da corrente. Portanto, quando se perde a informação de corrente de fuga, o monitoramento da tangente delta e da capacitância são comprometidos. O único alarme que poderá ser emitido nessa situação é o alarme de corrente de fuga alta e muito alta, que são provenientes da medição direta.
Resolução Alarme de Corrente de Fuga Baixa
Identificada a ocorrência de baixa corrente de fuga, aplique as diretrizes a seguir para normalizar o funcionamento do equipamento.
Passo 1
O primeiro passo é a medição das correntes nos bornes do BM, compare o valor dessas medições com o valor indicado no BM-HMI, se os valores forem os mesmos, siga com a próxima verificação.
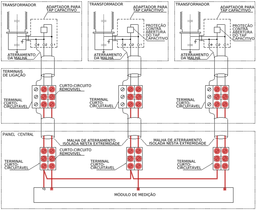
![]() |
Figura 2 - Diagrama de instalação BM-MM |
Passo 2
O segundo passo consiste na conferência dos bornes 7, 8, 9 e 10 de todos os módulos de medição. Deve-se verificar a integridade da crimpagem para identificar e corrigir possíveis pontos de mau contato.
Passo 3
O terceiro passo é a conferência da integridade dos cabos de ligação em todo o circuito, desde o borne do módulo de medição até os cabos do adaptador de TAP, com o intuito de encontrar algum ponto de mau contato, cabo rompido, cabo com baixa isolação ou conexões que exigem reaperto.
![]() |
Figura 3 - Circuito a ser conferido |
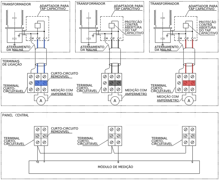
Passo 4
Para a próxima verificação, realize o curto-circuito nos bornes destacados na figura 4 para isolar o módulo de medição. Em seguida, certifique-se de que as correntes estejam zeradas no BM-HMI e proceda com a medição da corrente com um alicate amperímetro conforme ilustrado.
![]() |
| Figura 4 - Medição de corrente após curto-circuito |
Compare as correntes medidas com os valores registrados antes do curto-circuito (Passo 1). Se os valores permanecerem baixos e inalterados, o problema reside no adaptador de tap. Caso todas as correntes retornem aos níveis nominais, isso indica uma falha no circuito de instalação com o módulo de medição.
Se o problema for identificado no circuito de instalação, recomenda-se refazer todas as crimpagens dos cabos e reapertar todas as borneiras, visando a detecção de conexões instáveis ou frouxas, uma vez que o sinal do adaptador de tap está atuando com o valor esperado.
Remova o curto-circuito dos bornes e valide se os valores nominais foram restabelecidos.
Para o caso do adaptador de tap ser o possível problema, siga as instruções de teste presentes nos guias abaixo:
Caso haja algum problema ou tenha alguma dificuldade com o procedimento, não hesite em entrar em contato!
Contato !
Telefone:
+55(11)2410–1190 — Ramal: 425
Whatsapp: +55(11)97225–8683
e-mail: sac@treetech.com.br
Este artigo foi útil?
Que bom!
Obrigado pelo seu feedback
Desculpe! Não conseguimos ajudar você
Obrigado pelo seu feedback
Feedback enviado
Agradecemos seu esforço e tentaremos corrigir o artigo



