
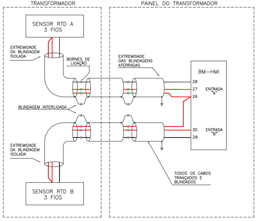
RTD A
Quando somente o RTD A é utilizado, ele deve ser conectado aos terminais 26, 27 e 28.
RTD B
Quando somente o RTD B é utilizado, ele deve ser conectado aos terminais 26, 29 e 30 e um jumper deve ser instalado entre os terminais 26 e 27, ou seja, nesta configuração são utilizados os terminais 26, 27, 29 e 30 para a ligação.
RTD A e B
Quando as duas entradas para RTDs são utilizadas (A e B), o RTD A é conectado aos terminais 26, 27 (Vermelhor) e 28 e o RTD B é conectado aos terminais 26 (Vermelhor/Comum), 29 e 30 do BM-HMI.

Aviso !
Atenção para as conexões dos cabos do Pt100
Bornes:
- 26 - (Vermelho/Comum);
- 27 - (Vermelho);
- 28 - (Branco);
- 29 - (Branco);
- 30 - (Vermelho).
Parâmetro
O parametro para configuração das entradas dos RTDs se encontra em:
![]() | > | ![]() | > | ![]() |
Nesse parâmetro o usuário pode selecionar entre as opcções de conexão dos sensores de temperatura.
Faixa de ajuste:
- A e B Desligados;
- Somente RTD A;
- Somente RTD B;
- A e B Ligados.
Valor padrão: A e B desligados.
Caso haja algum problema ou tenha alguma dificuldade com o procedimento, não hesite em entrar em contato!
Contatos:
Telefone: +55 (11) 2410 – 1190 — Ramal: 425
Celular: +55 (11) 97225 – 8683 - WhatsApp
E-mail: sac@treetech.com.br
Portal de AtendimentoEste artigo foi útil?
Que bom!
Obrigado pelo seu feedback
Desculpe! Não conseguimos ajudar você
Obrigado pelo seu feedback
Feedback enviado
Agradecemos seu esforço e tentaremos corrigir o artigo


